RD系列丨开孔验收标准
适用范围:
本标准适用于MaxOVVO無工组家具连接系统中,RD12.H Set和RD9.H Set型号配件的家具基材开孔加工质量验收,涵盖人造板、实木复合材料及新型环保板材等主流家具基材类型。
以下所述技术参数及验收方法基于OVVO专用设备的验证数据制定,相关设备指标符合行业通用设备性能基准。但是鉴于不同制造设备的性能差异及生产环境的多样性,我们温馨提示各使用单位结合具体设备性能、环境条件及板材特性进行适应性调整。
验收流程
INSPECTION
采用三级递进式质量控制体系,通过过程管控与结果验证相结合的方式,确保开孔精度满足连接系统功能需求。
外观初检阶段
基于人工感官判断表面质量的检测
1. 视觉检查:采用孔位专用模板实施比对校验。
2. 表面质量评估:检查孔口毛刺、崩边、撕裂等加工缺陷,分析潜在成因。
精密测量阶段
依靠工具验证是否符合预设要求
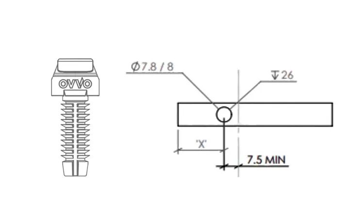
连接杆RD钻孔尺寸控制
刀具(麻花钻)尺寸:刨花板为7.8mm,其他板材类型为8mm。
孔深度:26mm
以上参数同时适用于RD12和RD9
底座(V1230RH)钻孔尺寸控制
钻孔长度:31.0+0.5mm
钻孔深度:12.5mm±0.3mm
底座(V0930RH)钻孔尺寸控制
钻孔长度:31.0+0.5mm
钻孔深度:9.2mm+0.6mm
注意:标准开孔技术参数请以我司官方网站发布的最新版技术文档为准,相关参数的最终解释权归属本公司所有。
试装验证阶段
模拟实际使用场景进行功能性测试
1. 隐形连接效果:家具安装后,配件及孔位实现完全隐形。
2. 结构稳定性:家具整体不摇晃,并承受额定载荷时,无肉眼可见变形或异响。
3. 缝隙检测:使用厚度0.1mm的A4纸检测表面接缝,插入深度不超过5mm。
风险消减策略
动态优化与不合格品处理方案
1.刀具校准机制:每500-800次开孔后,执行刀具几何参数校准。
2.刀具磨损机制:建立刀具磨损数据库,结合环境温度、板材特性、设备转速等参数,及时更新刀具更换标准。
3.孔径偏差处理:
孔径长度偏小:采用扩孔修正
孔径长度偏大:偏大>0.5mm时植入定位销或填充环氧树脂胶。
重度偏差:采用偏移重新钻孔或报废基材。
注意:以上内容提供的专业技术参考,不构成对特定设备性能的绝对保证。我们建议使用方在正式生产前,根据实际工况完成工艺验证。



粤ICP备16000470号